連接件模型
Connector Model
Connector Model
聯系APAS / Contact us
- 地址:天津市西青經濟技術開發區賽達國際工業城A3-2.
- 郵箱:lxc@apas.com.cn
- 電話:022-87920088
- 傳真:請聯系網絡管理員
- 郵編:300385
- 咨詢熱線:13702119190(24小時服務熱線)
連接件模型
/ Connector Model

40系列鋁型材內置內連接誒配件3d模型
產品描述 / Name
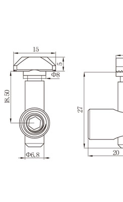
鋁型材內置內連接件又稱為錨式連接件,適用于鋁型材十字連接或直角連接,適用于特殊連接需求的鋁型材框架結構內置連接,設計師可以下載SolidWorks三維模型進行鋁型材框架設計組裝;
022-87920099
可以根據需求進行設計加工,提供上門安裝服務;可以根據特殊需求進行鋁型材開模定制。
* 免費提供工業鋁型材選型手冊 →點擊咨詢
內容來源:http://www.jiaoyu0311.com 作者:武將 發布日期:2019年09月24日 11時05分 閱讀次數:3337 次
|
內置內連接件是鋁型材較為常用的直角連接件,屬于內置連接方式,鏈接時需要根據規格對鋁型材進行精加工處理,對于鋁型材加工工藝要求較為嚴格; |
| ? |
![]() ![]()
|
| ? |
| 內置連接件用于兩支鋁型材十字連接或直角連接,裝配時需要在鋁型材規定尺寸位置進行安裝工藝孔加工處理,然后講配件置入工藝孔內,同時將T型連接栓放置入另一鋁型材槽內,利用專用頂絲鎖緊即可,內置內連接件分為90度和80度,根據使用需求進行選型; |
| ? |
|
槽型規格
|
適用型材規格
|
材質
|
訂貨編號
|
|
槽8
|
40系列鋁型材
|
碳鋼(表面鍍鋅)
|
CE-BC8-90°
|
|
CE-BC8-180°
|
聯系APAS/ Contact us
天津艾普斯工業鋁型材股份有限公司
聯系電話:022-87920088
企業傳真:(避免惡意廣告)請聯系該企業網絡管理員
服務熱線:13702119190 (24小時服務熱線)
Q Q:534973906
企業郵箱: lxc@apas.com.cn
企業地址:天津市西青經濟技術開發區賽達國際工業城A3-2
聯系電話:022-87920088
企業傳真:(避免惡意廣告)請聯系該企業網絡管理員
服務熱線:13702119190 (24小時服務熱線)
Q Q:534973906
企業郵箱: lxc@apas.com.cn
企業地址:天津市西青經濟技術開發區賽達國際工業城A3-2
采購意向留言:* 為必填








-02工廠車間工作臺主圖.jpg)






QQ咨詢
電話聯系
聯系電話

在線留言
樣冊下載
